鼎陽新品 SDS6208 H12 Pro 8通道 12bit高分辨率示波器,創造三相電和多通道時序測量新體驗 !
2023-07-18
2023年7月18日,鼎陽科技宣布正式發布8通道SDS6000 Pro高分辨率高帶寬數字示波器,帶寬最高可達2 GHz,有10-bit、12-bit兩種垂直分辨率可選,單通道實時采樣率和存儲深度最高可達10GSa/s以及500Mpts.
Sequence模式下,波形捕獲率高至750,000 wfm/s,8個模擬通道再疊加數字通道,可同步監測和分析8+16路信號,具備模板測試、波特圖、電源分析、邏輯分析、眼圖和抖動分析等強大的分析工具,可廣泛應用于電機控制、汽車電子、通信、計算機、新能源等行業。

12.1英寸觸摸屏疊加多個快捷軟鍵體現友好交互性
優異的技術參數
● 4/8通道可選,多通道測試是現代電子工程中常見的需求,例如需要同時測試多路信號的電流、電壓、時序關系等,可廣泛應用于多路傳感器監測、三相功率分析、電源完整性測試、電源排序測試等。
● 2GHz高帶寬,決定示波器對信號的基本測量能力,即使測量高頻信號時也能保障真實還原信號,應用范圍廣泛。
● 12-bit高分辨率,4096級量化等級,有利于復雜信號的波形細節觀測,提高信號捕獲的準確性以及測量的可靠性。
● 10GSa/s高采樣率,實現高速瞬態信號的快速捕獲與高精度分析,能夠更快、更準地發現并定位問題所在。
● 500Mpts/ch長存儲,長時間的數據記錄能力,一次能夠采集捕獲更多的關注事件,最大程度地保留波形細節。

12-bit高精度讓波形顯示更清晰 長存儲深度保障波形細節不丟失
強大的分析功能
● FFT,除了CH1-CH8上的實際波形之外,還可以對運算波形執行信號頻域測試與分析,峰值檢測功能會自動檢測雜散頻率,便于分析被測電路中的干擾噪聲。
● 模板測試,通過用戶自定義的模板對波形進行實時測試,最高每秒可執行25,000次測試,在設計和制造過程中幫助節省時間和費用,廣泛用于信號質量評估、產品可靠性驗證。
● 解碼,支持兩路同時解碼,標配I2C、SPI、 UART、 CAN、 LIN五種串行協議解碼,并可選配CAN FD、FlexRay、I2S、MIL-STD-1553B、SENT、Manchester、ARINC429 等多種協議,可廣泛應用于嵌入式設計、汽車電子、通信等領域。
● 電源分析,可自動完成電源質量、浪涌電流、開關損耗等12項參數的測量,代替繁瑣的手工配置和復雜的公式計算,幫助工程師迅速準確地分析常用的電源參數。
● 眼圖和抖動分析,利用眼圖可以觀察到碼間串擾和噪聲的影響,體現信號的整體特征,幫助評估系統優劣程度,抖動分析可以將系統性能做進一步的分析和測量,以提升高速電路的時序冗余度。
● 支持靈活組建多通道采集系統,通過同步機觸發多臺(最多64臺)示波器同步采集,最多支持擴展至 512個模擬通道。

電源紋波測量保障電源足夠“干凈 ” 眼圖分析評估串擾與噪聲
廣泛的應用場景
● 多路信號采集與監控,在工業上或實驗室中,經常需要對多種信號進行同時采集監測,如汽車噴油嘴故障檢驗、高速火車控制系統檢驗、電路板檢驗等,SDS6000 Pro使用同步機后最多可擴展至512個模擬通道,能夠幫助客戶對復雜的信號交互開展同步監測和分析,從而獲得對產品設計更加深入、全面的了解。
● 嵌入式系統分析,在使用示波器調試嵌入式系統時,在同時進行兩路串行總線分析時,還可以再觀察多路波形,如在汽車電子與嵌入式混合信號測量中,隨著駕駛需求的增加,系統越來越復雜,傳感器、執行器的數據不斷增加,工程師們不僅需要測試模擬波形還需要進行串行總線協議分析,8通道SDS6000 Pro就是能夠快速幫助工程師完成嵌入式系統調試工作的分析利器。
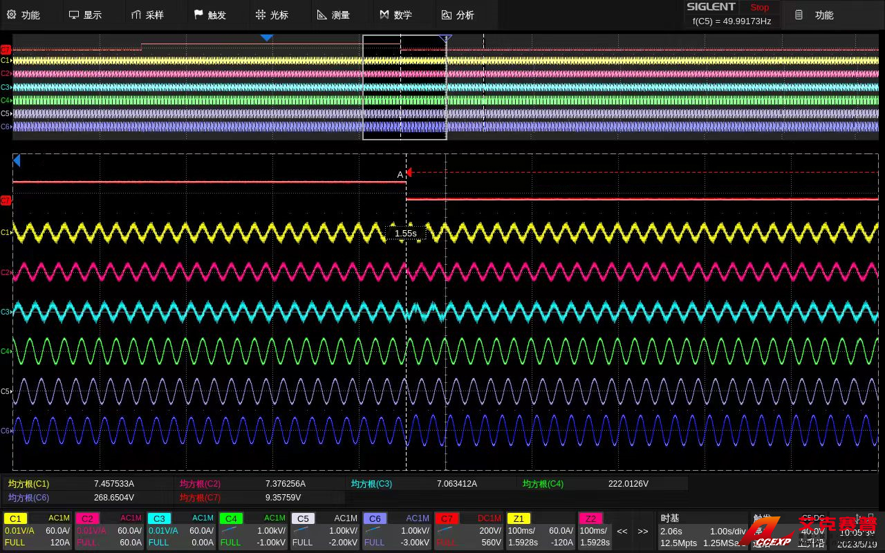
● 三相交流電分析,三相交流電廣泛應用于需要高能效或大功率的機電設備,如三相逆變器、電機、驅動器等。逆變器廣泛應用于家電、太陽能光伏發電、風能發電等,而在諸多汽車系統中,主驅、水泵、油箱冷卻系統都是由三相電所控制,對這些設備進行功率分析和電能質量測量必不可少。使用SDS6000 Pro分析三相電時,其中3路接高壓差分探頭測量電壓,3路接電流探頭測量電流,這樣不僅能直接觀測到實時波形,還能利用數學運算進行各種信號處理得到電流有效值、視在功率、波峰因數、諧波失真等參數。
● 多路信號時序測試,廣泛應用于芯片設計、自動駕駛、汽車功率半導體、電源排序檢驗、高壓充放電平臺等。如今大多數嵌入式電路設計中電源軌越來越多,且有著特定的上電、掉電時序要求,甚至規定了上電、掉電的時間要求,如此一來電源排序必不可少,傳統的4通道示波器需要多次采集,逐個模塊檢查,而SDS6000 Pro憑借其8通道的優勢可同時觀察8路通道波形情況,獲得各路時序情況,幫助加快研發進程。

8通道優勢:各路時序情況一目了然
作為通用測試測量行業的領軍者,鼎陽科技推出的這一款8通道SDS6000 Pro示波器,不僅具有優異的技術參數,且分析功能強大,是一款實用且優秀的測試工具,相信能夠有效地幫助工程師們應對更多的測試挑戰!
最新資訊